Расчет размерных цепей
Термины и определения
Размерная цепь - совокупность размеров,
непосредственно участвующих в решении поставленной задачи и образующих замкнутый контур.
Обозначение: прописная буква русского или строчная буква греческого (кроме букв α, δ, ξ, λ, ω) алфавитов без индексов.
Примеры.
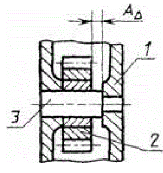
Задача: обеспечить совпадение оси заднего центра токарного станка с осью переднего центра в вертикальной плоскости.
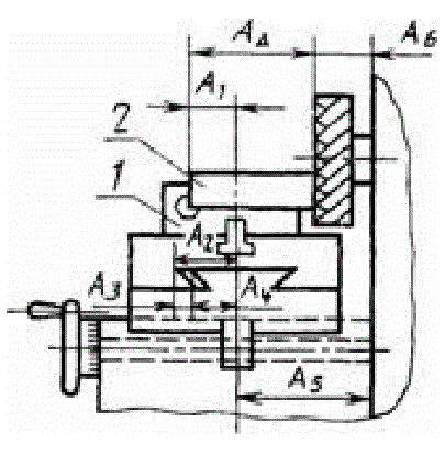
Задача: получить в результате обработки требуемый размер радиуса валика.
Звено размерной цепи - один из размеров, образующих размерную цепь.
База - поверхность или выполняющее ту же функцию сочетание
поверхностей, ось, точка, принадлежащая заготовке или изделию и используемая для базирования.
2. Звенья размерных цепей.
Замыкающее звено - звено размерной цепи, являющееся исходным при постановке задачи или получающееся последним в результате ее решения.
Обозначение: прописная буква русского или строчная буква греческого (кроме букв α, δ, ξ, λ, ω) алфавитов с индексом ∆.
Составляющее звено - звено размерной цепи, функционально связанное с замыкающим звеном.
Увеличивающее звено - составляющее звено размерной цепи, с увеличением которого замыкающее звено увеличивается.
Уменьшающее звено - составляющее звено размерной цепи, с увеличением которого замыкающее звено уменьшается.
Компенсирующее звено -
составляющее звено размерной цепи, изменением значения которого достигается требуемая точность замыкающего звена.
Обозначается соответствующей буквой, заключенной в прямоугольник.
Общее звено - звено, одновременно принадлежащее нескольким размерным цепям. Обозначение формируется из обозначений звеньев размерных цепей, в которые входит данное звено со знаком равенства между ними.
3. Виды размерных цепей
Основная размерная цепь - размерная цепь, замыкающим звеном которой является размер, обеспечиваемый в соответствии с решением основной задачи.
Производная размерная цепь - размерная цепь, замыкающим звеном которой является одно из составляющих звеньев основной размерной цепи.
Конструкторская размерная цепь - размерная цепь, определяющая расстояние или относительный поворот между поверхностями или осями поверхностей деталей в изделии.
Технологическая размерная цепь - размерная цепь, обеспечивающая требуемое расстояние или относительный поворот между поверхностями изготавливаемого изделия при выполнении операции или ряда операций сборки, обработки, при настройке станка, при расчете межпереходных размеров.
Измерительная размерная цепь - размерная цепь, возникающая при определении расстояния или относительного поворота между поверхностями, их осями или образующими поверхности изготавливаемого или изготовленного изделия.
Линейная размерная цепь - размерная цепь, звеньями которой являются линейные размеры.
Угловая размерная цепь - размерная цепь, звеньями которой являются угловые размеры.
Обозначение звена угловой размерной цепи: строчная буква греческого алфавита (кроме букв α, δ, ξ, λ, ω) с индексом, соответствующим порядковому номеру звена.
Плоская размерная цепь - размерная цепь, звенья которой расположены в одной или нескольких параллельных плоскостях.
Пространственная размерная цепь - размерная цепь, звенья которой расположены в непараллельных плоскостях.
Параллельно связанные размерные цепи - размерные цепи, имеющие одно или несколько общих звеньев.
Последовательно связанные размерные цепи - размерные цепи, из которых каждая последующая имеет одну общую базу с предыдущей.
Размерные цепи с комбинированной связью - размерные цепи, между которыми имеются параллельные и последовательные связи.
4. Размеры и отклонения.
Номинальный размер - размер, относительно которого определяются предельные размеры и который служит также началом отсчета отклонений.
Истинный размер - размер, полученный в результате выполнения технологического процесса.
Измеренный размер - размер изделия, познанный в результате измерения.
Предельные размеры - два предельно допустимых размера, между которыми должен находиться или которым может быть равен действительный размер.
Наибольший предельный размер - больший из двух предельных размеров.
Наименьший предельный размер - меньший из двух предельных размеров.
Отклонение - алгебраическая разность между размером и соответствующим номинальным размером.
Верхнее отклонение - алгебраическая разность между наибольшим предельным и номинальным размерами.
Нижнее отклонение - алгебраическая разность между наименьшим предельным и номинальным размерами.
Допуск - разность между наибольшим и наименьшим предельными размерами или абсолютная величина алгебраической разности между верхним и нижним отклонениями.
Поле допуска - поле, ограниченное верхним и нижним отклонениями или наибольшим и наименьшим предельными размерами.
Координата середины поля допуска - координата, определяющая положение середины поля допуска относительно номинального размера.
5. Методы достижения точности замыкающего звена.
Метод полной взаимозаменяемости (метод max/min) - метод, при котором требуемая точность замыкающего звена размерной цепи достигается во всех случаях ее реализации путем включения составляющих звеньев без выбора, подбора или изменения их значений.
Метод неполной взаимозаменяемости - метод, при котором требуемая точность замыкающего звена размерной цепи достигается с некоторым риском путем включения в нее составляющих звеньев без выбора, подбора или изменения их значений.
Метод групповой взаимозаменяемости - метод, при котором требуемая точность замыкающего звена размерной цепи достигается путем включения в размерную цепь составляющих звеньев, принадлежащих к соответственным группам, на которые они предварительно рассортированы.
Метод пригонки - метод, при котором требуемая точность замыкающего звена размерной цепи достигается изменением значения компенсирующего звена путем удаления с компенсатора определенного слоя материала.
Метод регулирования - метод, при котором требуемая точность замыкающего звена размерной цепи достигается изменением значения компенсирующего звена без удаления материала с компенсатора.
6. Задачи и способы расчета размерных цепей.
Прямая задача - задача, при которой заданы параметры замыкающего звена (номинальное значение, допустимые отклонения и т.д.) и требуется определить параметры составляющих звеньев.
Обратная задача - задача, в которой известны параметры составляющих звеньев (допуски, поля рассеяния, координаты их середин и т.д.) и требуется определить параметры замыкающего звена.